2006 Dodge Caravan Factory Wiring Diagram

26+ 2006 Dodge Caravan Factory Wiring Diagram Pictures. View and download dodge 2006 caravan manual online. 31.05.2008 · electric cooling fans not working.

2006 Dodge Caravan Wiring Diagram Pictures | Wiring Collection
2006 Dodge Caravan Wiring Diagram Pictures | Wiring Collection from ww2.justanswer.com
Seeking wiring diagram for my 2006 dodge grand caravan so that i can trace the problem, locate the relay etc. Colour wiring diagrams help track problems quickly and easily. This (like all of our manuals) is available to download for free in pdf format.

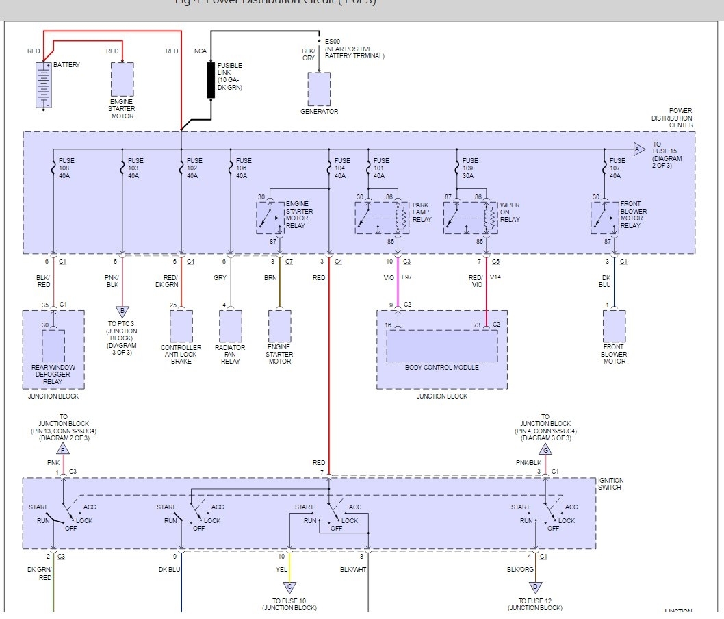
Caravan power window lift system circuit diagram.

This particular wiring diagram is from a 2002 model caravan, but will be the same for other years close to it with a 3.3l or 3.8l engine. 1993 dodge truck factory service manual. Caravan power window lift system circuit diagram. Lee iococca, famed automobile designer, introduced the dodge caravan, america's first minivan.


0 Response to "2006 Dodge Caravan Factory Wiring Diagram"

Post a Comment

Iklan Atas Artikel

Iklan Tengah Artikel 1

Iklan Tengah Artikel 2

Iklan Bawah Artikel