2012 Audi Tt Wiring Diagram

Get 2012 Audi Tt Wiring Diagram Gif. Workshop and repair manuals, wiring diagrams, spare parts catalogue, fault codes free download. Audi tt 2012 owner's manual pdf download | manualslib view and download audi tt 2012 owner's manual online.

Audi TT 2001 System Wiring Diagrams - YouTube
Audi TT 2001 System Wiring Diagrams - YouTube from i.ytimg.com
Im looking for a wiring diagram for my tt i need to fix it. All i found is how to wire up rs6 lights, but this one seems different because the it does not works for me. Audi tt 2012 owner's manual pdf download | manualslib view and download audi tt 2012 owner's manual online.

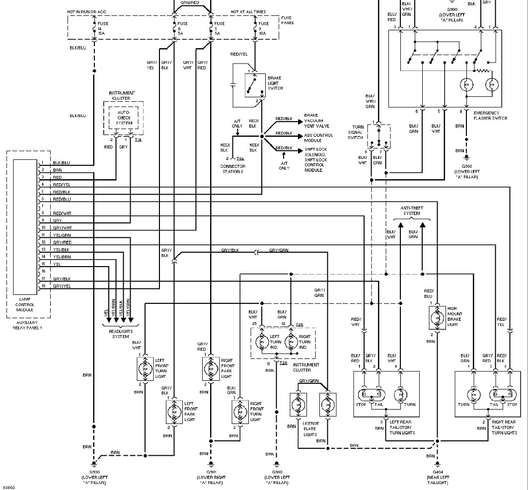
Use this information for installing car alarm, remote car starters and keyless entry into a tt.

The first two generations were assembled by the audi subsidiary audi hungaria motor kft. View and download audi tt 2012 owner's manual online. Use this information for installing car alarm, remote car starters and keyless entry into a tt. Deutsch sprachversion der elektronischen anleitung, die mit ihrem fahrzeug kommt.


0 Response to "2012 Audi Tt Wiring Diagram"

Post a Comment

Iklan Atas Artikel

Iklan Tengah Artikel 1

Iklan Tengah Artikel 2

Iklan Bawah Artikel